Well after tracing the wires, making sure that the fuses are all good, checking all the relays, I have come down to the wires being bad.
For everyone that has no-idea what I am talking about, I am referring to the 12V B+ wire that feeds to the ECU, which in turns sends out a 12V signal to the relay via a M-Relay wire, which flips the relay and allows the EFI wires to supply 12V back to the ecu.
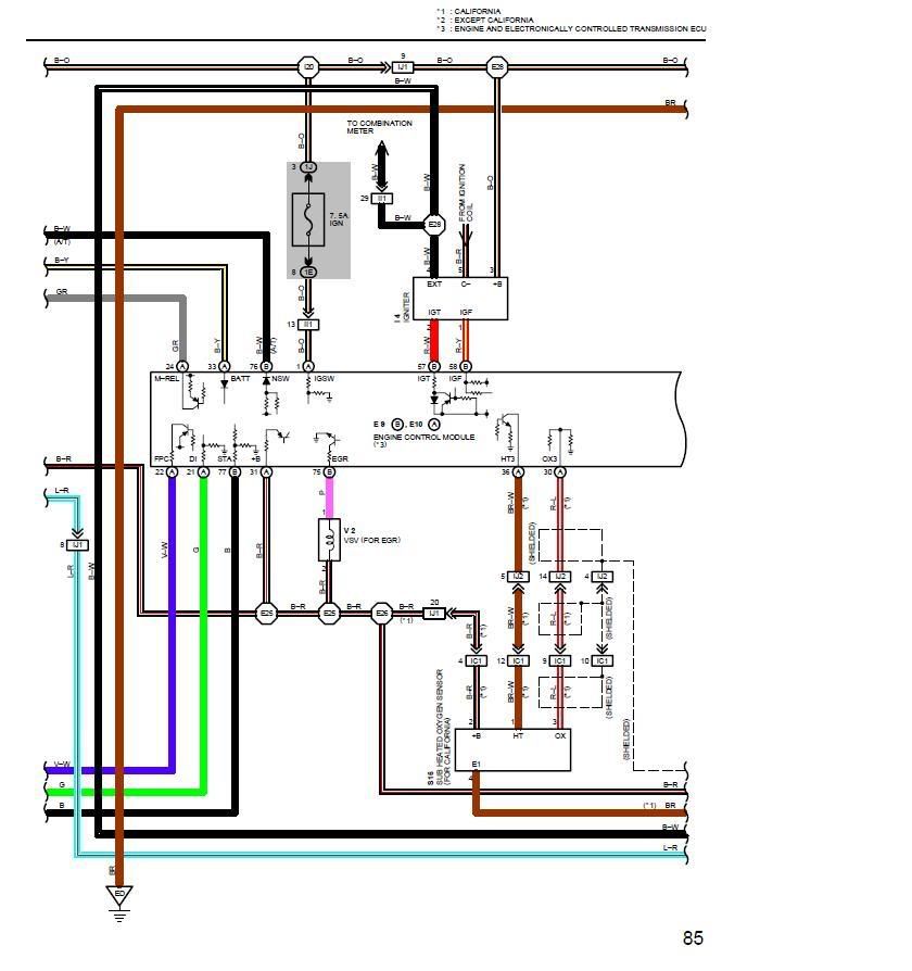
Here is a diagram (focus only on the Black/Yellow, Gray and Red/Black wire.
Looking at both diagrams, the wires are independent and are very much straight wires from the fuse box to those two connectors that are under the fuse box straight to the ECU. They are practically direct connections
After checking one of the wires (Black/Red wire) I got a reading of 5.6M Ohms using my fluke digital voltmeter. Does that mean the wire is fried or something? I check other wires and they ring up direct connections, no resistance, but for some reason, this does get resistance. As for the B/Y wire, I didn't get any connection. I didn't test the gray yet but will tomorrow.
So my question is what do you guys think regarding the 5M ohms? Is it that easy for a wire to fry?
Any input will be appreciated.
P.S. The fuel pump works....checked using a bucket and disconnecting a fuel line.
For everyone that has no-idea what I am talking about, I am referring to the 12V B+ wire that feeds to the ECU, which in turns sends out a 12V signal to the relay via a M-Relay wire, which flips the relay and allows the EFI wires to supply 12V back to the ecu.
Here is a diagram (focus only on the Black/Yellow, Gray and Red/Black wire.


Looking at both diagrams, the wires are independent and are very much straight wires from the fuse box to those two connectors that are under the fuse box straight to the ECU. They are practically direct connections
After checking one of the wires (Black/Red wire) I got a reading of 5.6M Ohms using my fluke digital voltmeter. Does that mean the wire is fried or something? I check other wires and they ring up direct connections, no resistance, but for some reason, this does get resistance. As for the B/Y wire, I didn't get any connection. I didn't test the gray yet but will tomorrow.
So my question is what do you guys think regarding the 5M ohms? Is it that easy for a wire to fry?
Any input will be appreciated.
P.S. The fuel pump works....checked using a bucket and disconnecting a fuel line.